Tribobond™ 48
Revêtement DLC pour les composants industriels hautement chargés et les applications automobiles de grand volume
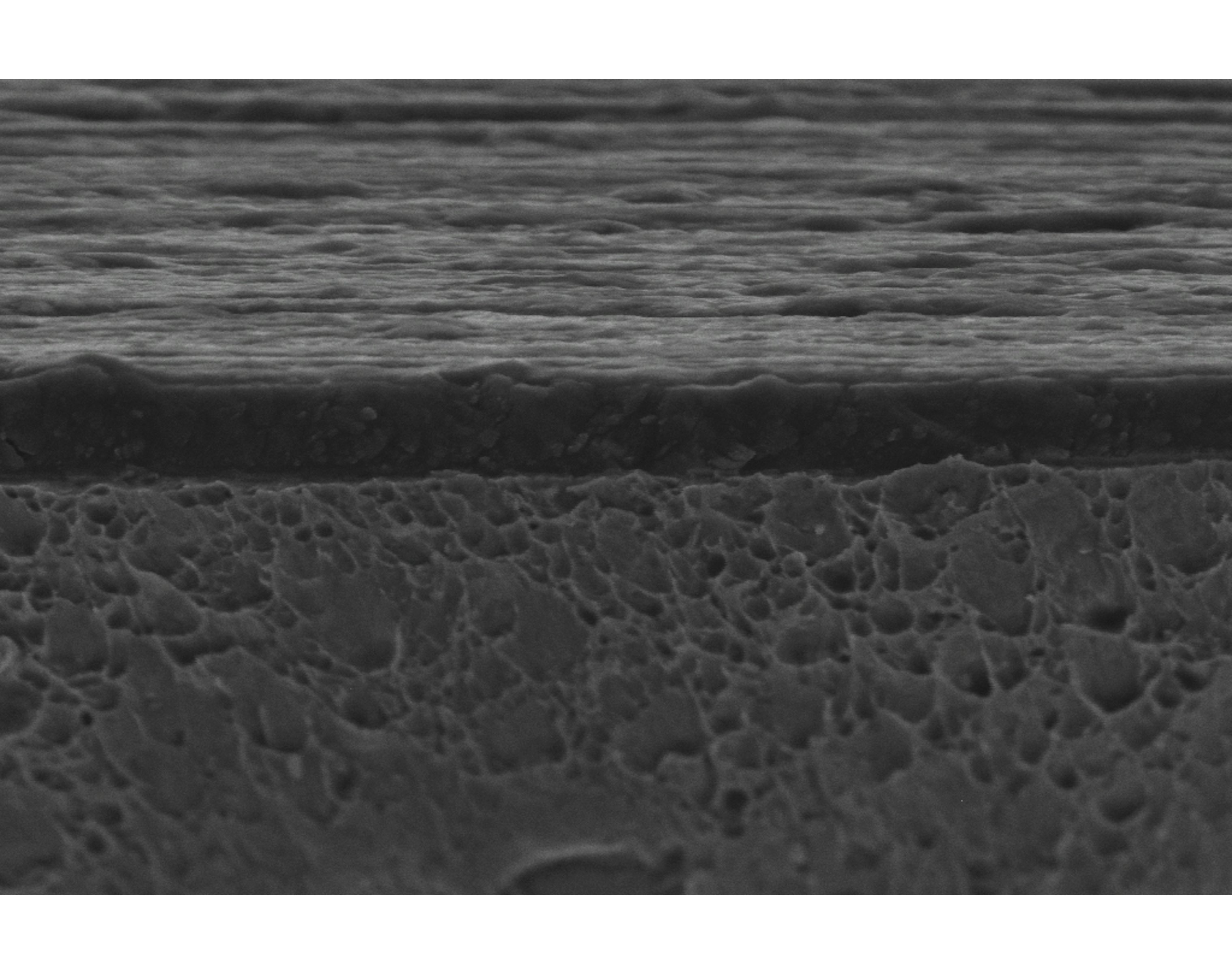
Tribobond™ 48 ta-C est un revêtement DLC sans hydrogène qui présente une résistance accrue à la température jusqu'à 400 °C, contre 250 °C pour les revêtements DLC hydrogénés. Les applications typiques comprennent donc des composants mécaniques fortement sollicités, qui bénéficient en outre de la résistance accrue à l'usure et du coefficient de frottement réduit du revêtement. Le revêtement présente également une mouillabilité améliorée avec les huiles, l'essence et les carburants diesel. Tribobond™ 48 ta-C a été testé de manière approfondie sur des composants de commande de soupapes (par exemple les poussoirs) et de vilebrequin (par exemple les axes et les segments de piston) ainsi que sur des systèmes d'injection et des pompes, où il a été démontré qu'il améliorait de manière significative la robustesse et augmentait la durée de vie des pièces concernées.
Performance
Associé à des huiles spécifiquement formulées, le Tribobond™ 48 ta-C réduit les pertes par frottement d'un facteur 2, par rapport aux revêtements DLC hydrogénés lubrifiés avec des huiles standard. Enfin, la résistance à l'usure abrasive du Tribobond™ 48 ta-C surpasse d'un facteur cinquante les revêtements DLC hydrogénés lorsqu'il est utilisé à des températures supérieures à 200°C, ce qui en fait un revêtement idéal pour les composants d'assemblages fortement chargés utilisés à des températures élevées.








Données techniques


Tribobond™ 01


Tribobond™ 15


Tribobond™ 30


Tribobond™ 31


Tribobond™ 40


Tribobond™ 41


Tribobond™ 42


Tribobond™ 46


Tribobond™ 49


Tribobond™ 55

